Description
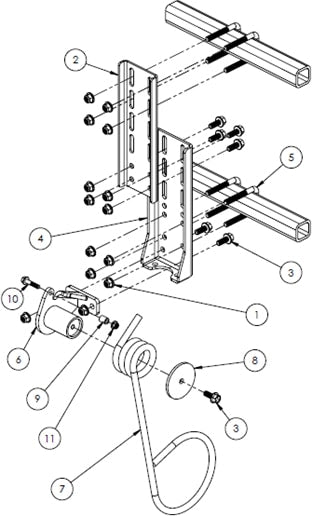
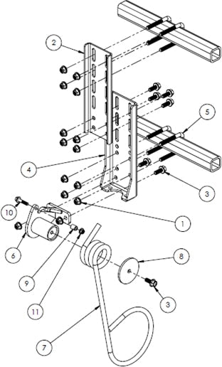
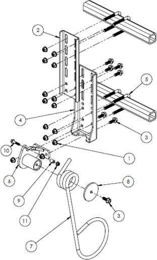
The Needham Ag Boom Skis are sold as a pair and they feature a heavy duty telescopic mounting system, designed to fit most sprayer booms. Each boom ski weighs around 36 lb and comes with a heavy duty coil spring (see attached images).
The boom skis are designed to mount on 50 – 120′ spray booms.
IMPORTANT – One pair of boom skis are recommended for most 50′ – 80′ booms, but 90′-120′ wider booms require 2 x pairs of boom skis (2 per side), especially if your ground is very rolling. These need to be positioned on the inside of the break-back section of most spray booms, and the 2nd one about in the center of the next section in from the break back section.
For additional information on how to install the boom skis and to confirm they fit your sprayer, please download the instructions from the link below.
The Boom Ski video below shows an earlier version of our booms ski (the only change we made was to the direction of the spring coil, they are now vertical, not horizontal). These earlier boom skis were mounted on a Row Gator with a 120′ boom.Additional information
| Weight | 70 lbs |
|---|---|
| Dimensions | 20 × 8 × 8 in |



















